Menu Guidelines Links News Download Wish List Educational Robots Tomy Toy Bots Other Toy Robots My Robots
Boxes Controller Manuals Posters Repairs          
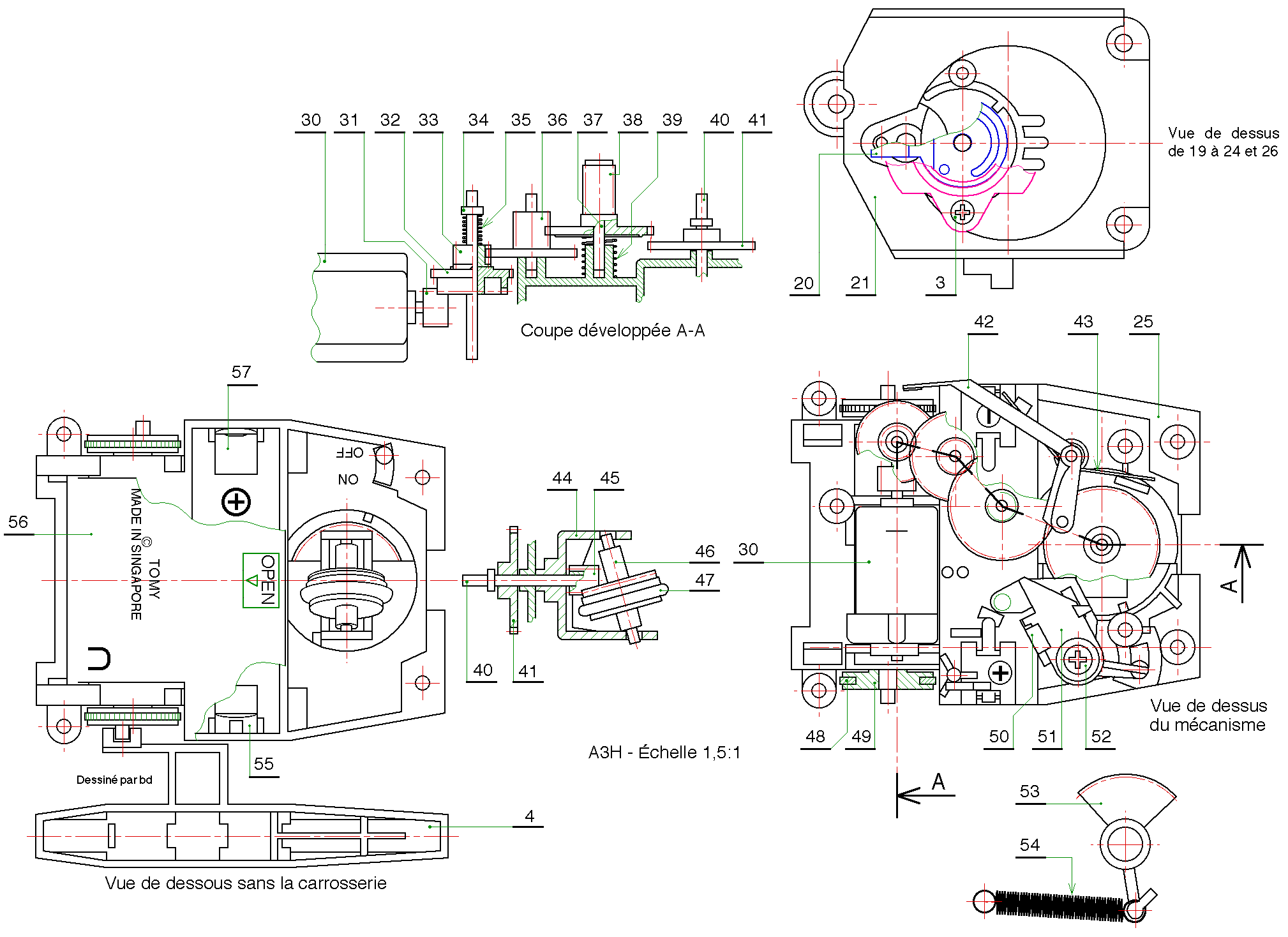
Dingbot, DING-BO, OMS-B ® - Disassembly & Assembly Procedure

Dingbot, DING-BO, OMS-B Robot
Dingbot by Tomy - Click to Enlarge
1. Make sure the robot is shut off.
Dingbot, DING-BO, OMS-B Robot
Dingbot by Tomy - Click to Enlarge
2. Remove the top plate on Dingbot.
Remove the side plates on the arms.
Dingbot, DING-BO, OMS-B Robot
Dingbot by Tomy - Click to Enlarge
3. Unscrew the head and remove it.

Dingbot, DING-BO, OMS-B Robot
Dingbot by Tomy - Click to Enlarge
4. Robot with the head removed.
Dingbot, DING-BO, OMS-B Robot
Dingbot by Tomy - Click to Enlarge
5. Unscrew the screws in the arms.

Dingbot, DING-BO, OMS-B Robot
Dingbot by Tomy - Click to Enlarge
6. Remove the front plates.
(This is not necessary in the
dissambly of the robot.)
Dingbot, DING-BO, OMS-B Robot
Dingbot by Tomy - Click to Enlarge
7. Turn the robot to the bottom.
Dingbot, DING-BO, OMS-B Robot
Dingbot by Tomy - Click to Enlarge
8. Remove the (4) four screws.

Dingbot, DING-BO, OMS-B Robot
Dingbot by Tomy - Click to Enlarge
9. Remove the front and back body cover.
Dingbot, DING-BO, OMS-B Robot
Dingbot by Tomy - Click to Enlarge
10. Uncrew the (2) screws from the top neck.
Dingbot, DING-BO, OMS-B Robot
Dingbot by Tomy - Click to Enlarge
11. Further dissamble of the robot to your needs.

Dingbot, DING-BO, OMS-B Robot
Dingbot by Tomy - Click to Enlarge
12. The Dingbot robot in dissambled layout.

Dingbot, DING-BO, OMS-B Robot
Dingbot by Tomy - Click to Enlarge
13. The Dingbot robot in dissambled layout. (1 of 3)
Dingbot, DING-BO, OMS-B Robot
Dingbot by Tomy - Click to Enlarge
14. The Dingbot robot in dissambled layout. (2 of 3)

Dingbot, DING-BO, OMS-B Robot
Dingbot by Tomy - Click to Enlarge
15. The Dingbot robot in dissambled layout. (3 of 3)
Dingbot, DING-BO, OMS-B Robot
Dingbot by Tomy - Click to Enlarge
16. Clean old tire out and replace with oil rings.

Tomy ® Dingbot / Zig Zag ® Repairs Pictures

Dingbot, DING-BO, OMS-B Robot
Tomy ® Dingbot
Click to Enlarge
Dingbot, DING-BO, OMS-B Robot
Tomy ® Dingbot
Click to Enlarge
Dingbot, DING-BO, OMS-B Robot
Tomy ® Dingbot
Click to Enlarge
Dingbot, DING-BO, OMS-B Robot
Tomy ® Dingbot
Click to Enlarge

Dingbot, DING-BO, OMS-B Robot
Tomy ® Dingbot
Click to Enlarge
Dingbot, DING-BO, OMS-B Robot
Tomy ® Dingbot
Click to Enlarge
Dingbot, DING-BO, OMS-B Robot
Tomy ® Dingbot
Click to Enlarge

Dingbot, DING-BO, OMS-B Robot
Tomy ® Dingbot
Click to Enlarge
Dingbot, DING-BO, OMS-B Robot
Tomy ® Dingbot
Click to Enlarge
Dingbot, DING-BO, OMS-B Robot
Tomy ® Dingbot
Click to Enlarge

Dingbot, DING-BO, OMS-B Robot
Tomy ® Zig Zag
Click to Enlarge
Dingbot, DING-BO, OMS-B Robot
Tomy ® Zig Zag
Click to Enlarge
Dingbot, DING-BO, OMS-B Robot
Tomy ® Zig Zag
Click to Enlarge
Dingbot, DING-BO, OMS-B Robot
Tomy ® Zig Zag
Click to Enlarge

    This process Addresses the Mechanical Disassembly of the Dingbot, DING-BO, OMS-B Robot. Accompanying this Procedure is pictures that you can expand to see more details as needed. Static discharge can damage electronics and it is recommended that you have and use a Static grounding wrist strap.

    There is no warranty expressed or implied with this procedure. By using any information from this web site, you agree not to hold responsible this site, me, nor any of its representatives, for any injuries and/or damages, both physical and/or psychological, that may arise from the use and/or misuse of anything derived from this site. The user further agrees that such information/pictures does not constitute any guarantee of accuracy, safety or reliability, and that cannot be held responsible for any way. The user agrees to proceed at their own risk.


Source: My Collection - Updated 04-06-2026