
| Omnibot ® , Robie Sr. ® , Hearoid ® , Arms Assembly |
|
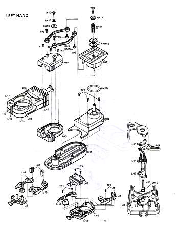
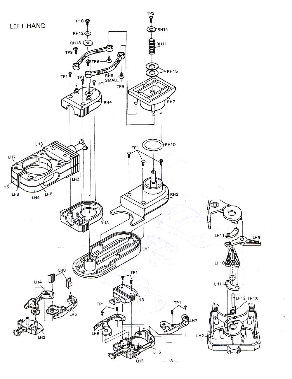
 Left Arm Click to enlarge |
 Right Arm Click to enlarge |
 Left Arm Click to enlarge |
 Right Arm Click to enlarge |
There is no warrenty expressed or implied with this procedure. By using any information from this web site, you agree not to hold responsible this site, me, nor any of its representatives, for any injuries and/or damages, both physical and/or psychological, that may arise from the use and/or misuse of anything derived from this site. The user further agrees that such information/pictures does not constitute any guarantee of accuracy, safety or reliability, and that cannot be held responsible for any way. The user agrees to proceed at their own risk.
Source: MyCollection - Updated 2-18-2008
|
|